Language
+39 0434 630602 - Tech Support
Cart 0
Your shopping cart is empty

Contropunte rotante per tornio SOGI Y146-3 - CM3 - metallo duro

100SGI0764 SOGI

33,40
1

Description

La contropunta rotante SOGI Y146-3 è progettata per assicurare supporto stabile e scorrevole durante le lavorazioni al tornio. Costruita con materiali resistenti, garantisce precisione, affidabilità e lunga durata nel tempo.

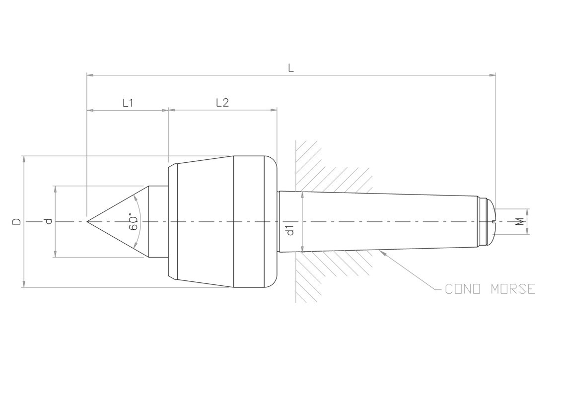
Caratteristiche tecniche della contropunta tornio SOGI Y146-3

  • Cono morse: CM3
  • Angolo di affilatura: 60°
  • Precisione: 0.006 mm
  • Velocità massima: 4500 rpm
  • Carico massimo: 800 N
  • Lunghezza totale (L): 160.2 mm
  • Lunghezza punta (L1): 32 mm
  • Lunghezza corpo (L2): 42 mm
  • Diametro maggiore (D): 52 mm
  • Diametro minore (d): 28 mm
  • Diametro massimo stelo (d1): 23.825 mm
  • Tirante (M): M10
  • Garanzia: 12/24 mesi

Subscribe to our newsletter

Subscribe now to keep in touch about sales and promotions

You have successfully subscribed to our newsletter
This subscription is already registered in the system
Email address is not valid, please retry.